Jiangsu Huafilter Hydraulic Industry Co., Ltd.
Jiangsu Huafilter Hydraulic Industry Co., Ltd.
Vörur
Hlutfallsleg flæðisstýringarventill 3freez-1x
  • Hlutfallsleg flæðisstýringarventill 3freez-1xHlutfallsleg flæðisstýringarventill 3freez-1x
  • Hlutfallsleg flæðisstýringarventill 3freez-1xHlutfallsleg flæðisstýringarventill 3freez-1x
  • Hlutfallsleg flæðisstýringarventill 3freez-1xHlutfallsleg flæðisstýringarventill 3freez-1x

Hlutfallsleg flæðisstýringarventill 3freez-1x

Model:Proportional Flow Control Valve 3FREEZ-1X
• Vörueiginleikar: er í samræmi við CE, EMC tilskipanir
• Forskriftir: Hlutfallsleg flæðisstýringarventill 3Freez-1x röð,
• Umsóknir: Vökvakerfi, smíði vélar,

Hlutfallsflæðisventill 3Freez-1x er hár-nákvæmni vökvastýringarþáttur, sem er venjulega notaður í sjálfvirkni kerfum iðnaðar sem krefjast nákvæmrar rennslisreglugerðar eða dreifingar á rennslishlutfalli. Valve 3Freez-1x er rafrænt stjórnað hlutfallslega eftirlitsstofn (0-10V/4-20mA merkisinntak). Þrýstingurinn getur venjulega náð 315Bar, sem hentar fyrir háþrýstingsvirðarkerfi. Hægt er að samþætta hlutfallsflæðisventil 3Freez-1x loki með PLC og DCS kerfi og styður Modbus og aðrar samskiptareglur. Hlutfallsleg loki 3Freez-1x stjórnar rennslishraðanum í gegnum hlutfall rafmerkja, gerir sér grein fyrir skreflausri hraðastýringu stýrivélarinnar og bætir svörunarnákvæmni kerfisins.


Vörubreytur hlutfallslega flæðisstýringarventils 3Freez-1x

Almennt
Smíði SPOOL-gerð loki með samþættum þrýstingsbætur
Virkni Hlutfallsleg segulloka með staðsetningarstýringu og rafeindatækni um borð OBE
Uppsetningarstaða Valfrjálst
Umhverfishitastig ℃ -20 ~+50
Þyngd kg NG6 (3.1)
NG10 (6.9)
Vökvakerfi
Þrýstingsvökvi Vökvaolía til DIN 51524 ... 535, aðrir vökvar eftir áður samráð
Seigja mm2/s 20 ... 100 (mælt með)
10 ... 800 (max.permitted)
Þrýstingsvökvi hitastig ℃ -20 ~+70
Truflanir/kraftmiklar
Hysteresis % ≤1 ≤1
Svið andhverfu % ≤0,5 ≤0,5
Framleiðsluþol % ≤5 ≤5


Vörueiginleiki og notkun hlutfallslegs flæðisstýringarventils 3Freez-1x

Eiginleikar

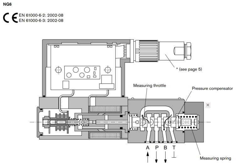
▶ Beint stjórnað rennslisstýringarlokar NG6 og NG10 með rafeindatækni um borð og inductive staða transducer

▶ Með stöðustýringu, lágmarks móðursýki <1 %, sjá tæknileg gögn

▶ 3-átta aðgerðin er ákvörðuð af því hvernig vökvagáttunum er úthlutað (leifar rennsli keyrir í gegnum Port P, 3. hátt)

▶ Stillanlegt með stýrðu segulloka stöðu, stöðu transducer og rafeindatækni um borð

▶ Fyrir festingu undirplata, festingargatstillingar NG6 við ISO4401-03-02-0-94, NG10 til ISO 4401-05-04-0-94

▶ Undirplötur samkvæmt sýningarblaði, Re 45053 fyrir NG6, Re 45055 fyrir NG10 (panta sérstaklega)

▶ Plug-in-tengi við DIN 43563-AM6, sjá Vörulista RE 08008 (pantaðu sérstaklega)

▶ Gögn fyrir rafeindatækni um borð

• Fylgist CE, EMC tilskipunum

Í 61000-6-2: 2002-08

Og 61000-6-3: 2002-08

• Ub = 24vvnom DC

• Rafmagnstenging 6p+PE

• Merkjavirkni

-Standard 0 ...+10V (A1)

• Lokaferill kvarðaður í verksmiðjunni

Umsókn:

Hlutfallsflæðisventill 3Freez-1x er mikið notaður í vökvakerfi, smíði vélar, sprautu mótunarvélar, deyjavélar, efna-/vinnslustýringu osfrv. Sprengingarþétt líkan er einnig hægt að nota í sjálfvirkni búnað á hættulegum svæðum eins og olíu og náttúrulegu gasi.

Virkni og hluti hlutfallslega flæðisstýringarventils 3Freez-1x

Almennt

Tegund 3Freez Hlutfallsflæðisstýringarlokar með stöðustýringu og rafeindatækni um borð eru fáanlegir í nafnstærðum6 og 10. Þeir eru virkjaðir með hlutfallslegu segulloka með inductive stöðu transducer. Hysteresis er <1 %.

Rafeindatæknin um borð eru kvarðað í verksmiðjunni og gerir kleift skjótan viðbragðstíma. Hönnun loki líkamans er þannig að afgangsrennslið liggur í gegnum Port P.

Grunnregla

Til að stilla olíuflæðishraðann frá B er stillingarpunktur stilltur í rafeindatækni. Byggt á þessu viðmiðunarpunkti stjórna rafeindatæknin segulloka spólu sem fall af merkinu frá stöðu transducer. Staðaeftirlitið tryggir mjög litla móðursýki. Ventilopið ræðst af mælingarbrúnunum á spólunni og samþættur þrýstingsbætur ber saman þrýstingsfallið með 8-stöng mælingu. Þrýstingsbótarinn með mælingu vors stjórnar þrýstingnum fyrir inngjöfina í samræmi við einfaldaða formúluna: „álagsþrýstingur auk krafts á vor“. Á þennan hátt er þrýstingsfall yfir mælingarbrúnina viðhaldið á stöðugu stigi.




Hot Tags: Hlutfallsleg flæðisstýringarventill 3Freez-1x, Kína, framleiðandi, birgir, verksmiðja, heildsölu, lágt verð, gæði, varanlegt
Sendu fyrirspurn
Upplýsingar um tengilið
Fyrir fyrirspurnir um vökvaventla, segulloka stefnuloka, hlutfallsloka eða verðlista, vinsamlegast skildu eftir tölvupóstinn þinn til okkar og við munum hafa samband innan 24 klukkustunda.
X
Við notum vafrakökur til að bjóða þér betri vafraupplifun, greina umferð á síðuna og sérsníða efni. Með því að nota þessa síðu samþykkir þú notkun okkar á vafrakökum. Persónuverndarstefna
Hafna Samþykkja